首页
关于我们
公司产品
联系我们
东莞市鑫铧模具配件有限公司
English
简体中文
xin hua mold parts company
名称
描述
内容
产品
文章
搜索
名称
描述
内容
IPRODUCT /
经营项目
等高螺丝
价格:
0.00
市场价:
0.00
商品信息
商品描述
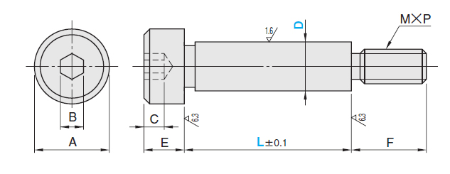
尺寸图
规格表
型号
L
A
B
C
E
F
M×P
Type
D
MSB
6
0
-0.05
12
16
20
25
30
35
40
45
50
55
10
3
2.5
4.5
9.75
M5×0.8
8
12
16
20
25
30
35
40
45
50
55
60
65
70
75
80
85
90
13
4
3
5.5
11.25
M6×1.0
10
12
16
20
25
30
35
40
45
50
55
60
65
70
75
80
85
90
100
16
5
4
7
13.25
M8×1.25
12
12
16
20
25
30
35
40
45
50
55
60
65
70
75
80
85
90
100
18
6
5
9
16.4
M10*1.5
13
上一个:
MSTP排气销
下一个:
锁模扣